车规级高压LDO
500mA,40V LDO

• 符合汽车应用的 AEC-Q100 Grade1 标准
• 内部结温: -40℃ ~ +150℃
• 工作电压范围:4.3V至40V
• 输出电压范围:
• 可调节输出:1.2V至18V
• 固定输出:3.3V和5V
• 最大输出电流: 500mA
• 低静态电流:
• 轻负载时典型值为17µA
• 禁能时典型值为3µA
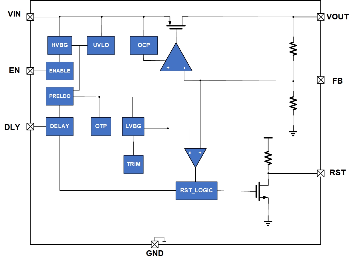
• 具有电源正常状态指示功能(Power Good),支持延迟周期可编程
• 封装类型:
• 5引脚TO-252封装
• 带有散热焊盘的8引脚ESOP-8封装
可重新配置仪表组
车身控制模块(BCM)
常开型电池链接应用:汽车网关、远程免钥匙进入(RKE)
产品型号 | 输出电压 | 特性 | 工作温度 | 封装类型 |
IM6L4550EBTCR | 5V | Enable | -40 ℃~150 ℃ | TO252-5 |
IM6L4350EBTCR | 3.3V | Enable | -40 ℃~150 ℃ | TO252-5 |
IM6L4050EBTCR | 可调(1.2V~18V) | Enable | -40 ℃~150 ℃ | TO252-5 |
IM6L4550PBTCR | 5V | Reset & Delay | -40 ℃~150 ℃ | TO252-5 |
IM6L4550RBEFR | 5V | Enable, Reset & Delay | -40 ℃~150 ℃ | ESOP8 |
IM6L4350RBEFR | 3.3V | Enable, Reset & Delay | -40 ℃~150 ℃ | ESOP8 |
IM6L4050RBEFR | 可调(1.2V~18V) | Enable, Reset & Delay | -40 ℃~150 ℃ | ESOP8 |
IM6L4550EBEFR | 5V | Enable | -40 ℃~150 ℃ | ESOP8 |
IM6L4350EBEFR | 3.3V | Enable | -40 ℃~150 ℃ | ESOP8 |
IM6L4050EBEFR | 可调(1.2V~18V) | Enable | -40 ℃~150 ℃ | ESOP8 |

上海市浦东新区盛夏路565弄40号张江高科集贤天地A栋10楼